小型屠宰场屠宰污水处理设备
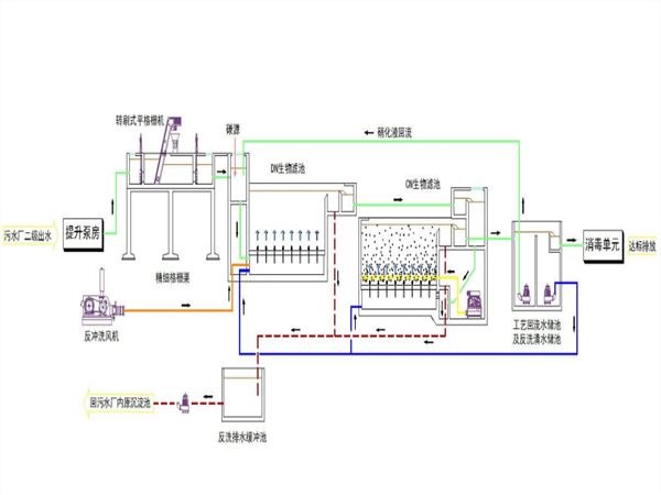
工艺原理MBBR。
通过向反应器中添加一定数量的悬浮载体,可以提高反应器中的生物量和类型,从而提高反应器的处理效率。由于填料密度接近水,曝气时与水完全混合,微生物生长环境为气、液、固三相。
水中的碰撞和剪切使空气气泡更小,增加了氧气的利用率。此外,每个载体内外都有不同的生物种类,内部生长一些厌氧菌或兼氧菌,外部养殖良好,使每个载体都是一个微型反应器,使硝化反应和反硝化反应同时存在,从而提高处理效果。

采用世界先进的生物处理技术,集去除BOD5、COD、NH3-N于一体,是目前zui的污水处理设备。广泛应用于食品加工厂、酒店、别墅、住宅小区的生活污水处理,取代了去除率低、处理后出水达不到国家综合排放标准的化粪池。现场应用表明,一体化生化污水处理设备是一种处理效果理想、管理方便的设备。适用于宾馆、饭店、疗养院、食品加工厂、医院;住宅小区、村庄、集镇;车站机场、港口码头、船舶;工厂、矿山、旅游景点、景点;各种类似生活污水的工业有机废水。可以满足化工和高浓度污水处理设备的需求。

屠宰污水处理设备主要来自围栏冲洗、淋洗、屠宰等厂房地板冲洗、烫毛、剖解、副食加工、洗油等工序产生的污水。1.1发病症状大豆立枯病只发生在苗期,幼苗及幼株主根及近地茎基部出现红褐色略凹陷的病斑,皮层开裂呈溃疡状,病菌菌丝初无色,后逐渐变为褐色。病情严重时,外形矮小,生育迟缓,靠地茎赤褐色,皮层开裂,呈溃疡状。

水质特性
(1)屠宰污水一般为红棕色,有难闻的腥味,含有大量的血液、油脂、头发、肉屑、骨屑、内脏杂物、未消化的食物、粪便等污物,固体悬浮物含量高。
②屠宰污水中有机物含量高,可生化性好,其中高浓度有机物不易降解,处理困难。屠宰污水中的营养物质主要是氮和磷,其中氮主要以有机物或铵盐的形式存在,磷主要以磷酸盐的形式存在。